2CY型齒輪潤滑油泵主要用于各種機械設備中的潤滑系統中輸送潤滑油,適用于輸送粘度在10。E(75C.S.t)以下,溫度在300℃以下的具有潤滑性的油料。不銹鋼齒輪泵,可輸送無潤滑性的油料、飲料、低腐蝕性的液體。配用銅齒輪可輸送低內點液體,如汽油、苯等。本系列泵除配置普通電機外,還可根據用戶需要配置同規格的防爆電機。
2CY型齒輪潤滑油泵型號意義

2CY型齒輪潤滑油泵產品概述
1、本泵適用于輸送各種有潤滑性的液體,溫度不高于70℃,如需高溫200℃,同本單位聯系可配用耐高溫材料即可,粘度為5×10-5~1.5×10-3m2/s。
2、本泵不適用于輸送腐蝕性的、含硬質顆粒或纖維的、高度揮發或閃點低的液體,如汽油、笨等。
本型泵在泵體中裝有一對回轉齒輪,依靠兩齒輪的相互嚙合,把泵內的整個工作腔分兩個獨立的部分。泵運轉時主動齒輪帶動被動齒輪旋轉,當齒輪脫開嚙合時在吸入側就形成局部真空,液體被吸入。被吸入的液體充滿齒輪的各個齒谷而帶到排出側,單級單吸油泵齒輪進入嚙合時液體被擠出而排出泵外。
新光明推薦您查看:KCB齒輪油泵
2CY型齒輪潤滑油泵結構說明
本產品由泵體、齒輪、前后泵蓋、安 全閥、軸承及密封裝置等零、部件組成。
1、泵體、前后蓋等零件為灰鑄鐵件,齒輪用良好碳素鋼制作;亦可根據用戶需要用銅材或不銹鋼制作。
2、安 全閥。
2CY系列齒輪式潤滑泵自身不帶安 全閥,用戶在使用時需自行在管路系統中安裝安 全閥。KCB,2CY系列齒輪式輸油泵在后泵蓋或泵體上方裝有安 全閥,當泵或排出管道發生故障或將排出閥門完全關閉而產生高壓和高壓?擊時安 全閥就會自動打開,卸除部分或全部的高壓液體回到吸入腔,從而對泵及管道起到安 全保護作用。
3、軸承。
2CY系列齒輪式潤滑泵全部采用DU軸承;可根據用戶要求采用錫青銅軸承。&0818.3-83.3、2CY1.1齒輪式輸油泵采用DU軸承;可根據用戶要求采用錫青銅軸承。
KCB133-960、2CY8-60齒輪式輸油泵有采用DU軸承,錫青銅軸承和滾動軸承三種結構,需在訂貨時注明。訂貨時未注明者均按DU軸承結構供貨。 軸承為內置型式,依靠被輸送介質進行潤滑;011軸承和錫青銅軸承能在非潤滑性介質中工作。
4、軸封。
本系列產品的軸端密封有骨架油封、機械密封及填料密封三種結構。
a. 骨架油封:骨架油封的特點是維護、更換方便,成本低,但壽命較短。丁晴膠骨架油封適用于1001:以下工作環境;氟橡膠骨架油封適用于200℃以下工作環境。
b. 1機械密封:機械密封的特點是密封可靠、壽命長,成本高。機械密封的基體用不銹鋼制造, 動、靜環視介質不同分別由YG8硬質合金或YG8-石墨制造,使用溫度在200℃以下。
c. 填料密封:填料密封僅用于高溫油泵,其特點是耐高溫,有少量泄漏。使用過程中需根據泄漏情況經常進行調整,使用溫度在250℃:以下。
用戶需何種型式的密封結構需在訂貨時注明。凡訂貨時未注明者均按丁晴膠骨架油封結構供貨。
5、進、出油口型式。
2CY系列齒輪式潤滑泵進、出油口為與口徑對應的英制管螺紋(G),直接制作在泵體上。KCB18.3-200、2CY1.1-12齒輪式輸油泵配帶管螺?口的腰形法蘭;其余泵不配帶法蘭,當用戶需要配帶法蘭時,應在訂貨中注明。
6、泵與電機用彈性聯軸器連接,并安裝在公共底盤上。
2CY型齒輪潤滑油泵性能參數

2CY型齒輪潤滑油泵適用范圍
1、本泵適用于輸送各種有潤滑性的液體,溫度不高于70℃,如需高溫200℃,同本單位聯系可配用耐高溫材料即可,粘度為5×10-5~1.5×10-3m2/s。
2、本泵不適用于輸送腐蝕性的、含硬質顆粒或纖維的、高度揮發或閃點低的液體,如汽油、笨等。
2CY型齒輪潤滑油泵在泵體中裝有一對回轉齒輪,依靠兩齒輪的相互嚙合,把泵內的整個工作腔分兩個獨立的部分。泵運轉時主動齒輪帶動被動齒輪旋轉,當齒輪脫開嚙合時在吸入側就形成局部真空,液體被吸入。被吸入的液體充滿齒輪的各個齒谷而帶到排出側,齒輪進入嚙合時液體被擠出而排出泵外。
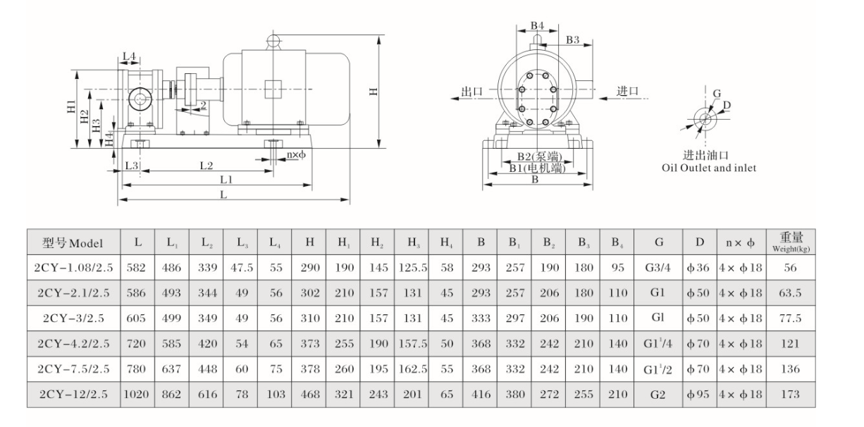
2CY型齒輪潤滑油泵安裝尺寸圖









