LQ系列凸輪轉子泵簡介
轉子泵又稱膠體泵,三葉泵,鞋底泵等。依靠兩同步反向轉動的轉子(齒數為2-4)在旋轉過程中于進口處產生吸力(真空度),從而吸入所要輸送的物料。兩轉子將轉子室分隔成幾個小空間,并按a→b→c→d的次序運轉。運轉至位置a時,只有I室中充滿介質; 到位置b時,B室中封閉了部分介質; 到位置c時,A室中也封閉了介質; 到位置d時,A、B室與Ⅱ室相通,介質即被輸送至出料口。如此循環往復,介質(物料)即被源源不斷地輸送出。
幾乎沒有易損件:轉子泵在工作中不存在任何零件的磨損(除機械密封外),所有與物料接觸的零件均為不銹鋼制作,一對轉子在工作中同步運轉,相互間保持著一定的間隙,不產生任何的接觸,不會有理論上的任何磨損,轉子泵能夠在高達220度的溫度下的各種環境中工作。
水沖洗機械密封和油潤滑機械密封:
可以提供具有水沖洗和油潤滑功能的機械密封結構,防止在輸送高粘度物料的過程中發生物料凝結在機械密封的端面上而影響設備正常工作的情況,并能保證機械密封在險惡環境中的使用壽命。

LQ系列凸輪轉子泵結構圖

LQ系列凸輪轉子泵轉子的形式:

三葉型轉子 蝴蝶型轉子 單蝶曲線型轉子
1、三葉型轉子:
三葉型轉子的容積效率較高,脈動較小,對于一般粘度的流體,流量相對較大,壓力較高,使用范圍廣,但是不適宜輸送含有顆粒物的流體。
2、蝴蝶型轉子:
由于采用了蝶形轉子,所以其除了具有一般轉子泵的特點以外,它在輸送高粘度及內含較大顆粒的物料時,具有一定的優勢,對特別粘稠的物料能夠有效輸送。
3、單蝶曲線型轉子(顆粒轉子泵):
該系列泵是為解決輸送內含大顆粒物料而專門設計制造的,其的形狀和曲線形式使其能夠在輸送內含大顆粒物料時具有其他泵中較好的優勢,在輸送物料過程中它能夠有效地避免顆粒破損,是輸送含顆粒物料泵的理想選擇。
4、多葉轉子:
對于需要高穩定的流量的工況,多葉轉子正好可以發揮它的功能,比較常用的是五葉轉子,流體輸送量比較穩定,因為葉片較多的占據了腔體的空間,容積效率比較低。根據客戶要求和實際的生產工況可以提供四葉--十二葉的轉子。
LQ系列凸輪轉子泵性能參數

LQ系列凸輪轉子泵應用范圍
食品工業:酸牛 奶、鮮奶油、冰淇淋、乳酪塊、乳清、啤酒、麥芽汁、酵母、汽 凝膠、染發劑、香油精、牙膏、洗滌劑、洗發精、鞋油、化妝品、香精、肥皂、香脂等。
制藥工業:各型丸糊、乳化劑、糖漿、營養液、中藥、膏狀藥劑、生物制品、魚花粉、蜂皇漿、疫苗。
化工工業:脂肪、溶劑、樹脂、聚合物、油漆、顏料、染料、涂料、潤滑油、潤滑脂、石油劑、乳化瀝青、膠粘劑、塑料、炸藥、玻璃鋼、皮革 等。
建筑工業:各種涂料。包括內外墻涂料、防腐料、陶瓷涂料、油漆涂料、陶瓷釉料等。
其它工業:塑料工業、紡織工業、造紙工業、煤炭浮劑、納米材料、生物化工等行業。
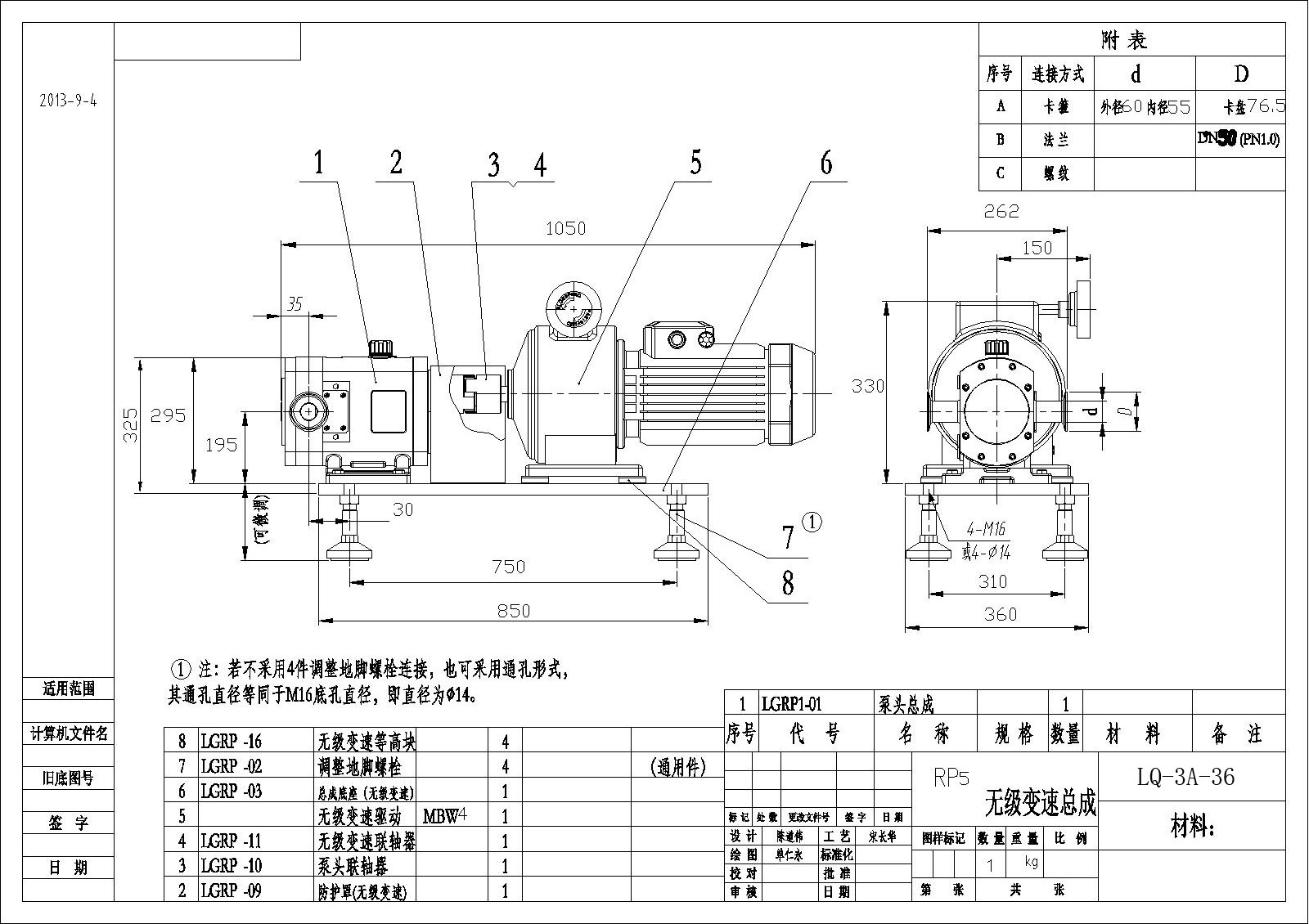
LQ系列凸輪轉子泵安裝尺寸圖








