JYZR型液壓隔膜式計量泵
JYZR型液壓隔膜式計量泵是一種能按照工藝流程要求,具有行程可在 0~100% 范圍內無級調節定量輸送各種液體,且在較大行程時被輸送介質的計量精度為 ±1% 的通用機械設備。適用于輸送溫度為-30~120℃,粘度為 0.3~800mm2/s 的不含固狀顆粒的介質 。
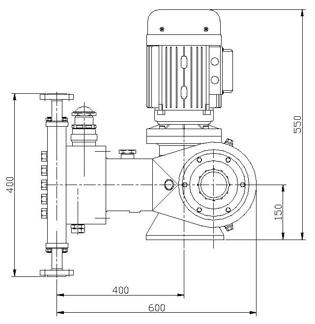
JYZR系列液壓隔膜式計量泵概述
可調計量范圍:0-250L/H
較大壓力承受范圍:0-25MPa
驅動方式:電機驅動
控制方式:手動、自動控制
配置方式:泵頭保溫、冷卻、電機可配防爆
1、綜合了機械隔膜式與柱塞式計量泵的雙重優點。
2、噪音小,經久耐用。
3、吐出壓力較高一款系列可達500KG。
4、定量輸出,在泵運行或停止時也可任意調節流量,計量jing確度到正負百分之一。
5、通過液壓及N型曲軸機構來傳遞動力,性能平穩。
泵頭部位材料 | 工作條件 |
計量泵頭:SUS304、SUS316 | 環境溫度: -30℃ ―+90℃ |
計量閥: SUS304、SUS316 | 電機: 二相、三相標準電機或防爆電機 |
閥球: 二氧化硅、SUS304、SUS316、陶瓷、氧化鋯 | 功率:0.75KW 0.55KW |
密封: 聚四氟乙烯 | 防護等級:IP54 |
型號 | 流量(L/H) | 壓力(Mpa) | 柱塞直徑(mm) | 行程(mm) | 泵速(mm) | 電機功率(kw) | 進出口徑(DN) | 重量(kg) |
JYZR 24/25 | 24 | 25 | 16 | 30 | 96 | 1.5 | 10 | 140 |
JYZR 24/16 | 24 | 16 | 1.1 | |||||
JYZR 40/20 | 40 | 20 | 20 | 1.5 | ||||
JYZR 40/10 | 40 | 10 | 1.1 | |||||
JYZR 50/16 | 50 | 16 | 1.5 | |||||
JYZR 50/8.0 | 50 | 8.0 | 1.1 | |||||
JYZR 60/13 | 60 | 13 | 22 | 144 | 1.5 | 15 | 155 | |
JYZR 60/6.3 | 60 | 6.3 | 1.1 | |||||
JYZR 80/10 | 80 | 10 | 1.5 | |||||
JYZR 80/5.0 | 80 | 5.0 | 1.1 | |||||
JYZR 100/8.0 | 100 | 8.0 | 25 | 1.5 | ||||
JYZR 100/4.0 | 100 | 4.0 | 1.1 | |||||
JYZR 110/9.0 | 110 | 9.0 | 1.5 | |||||
JYZR 110/6.3 | 110 | 6.3 | 1.1 | |||||
JYZR 125/6.3 | 125 | 6.3 | 32 | 96 | 1.5 | |||
JYZR 125/3.2 | 125 | 3.2 | 1.1 | |||||
JYZR 160/5.0 | 160 | 5.0 | 36 | 1.5 | ||||
JYZR 160/2.5 | 160 | 2.5 | 1.1 | |||||
JYZR 200/4.0 | 200 | 4.0 | 40 | 1.5 | ||||
JYZR 200/2.6 | 200 | 2.6 | 1.1 | |||||
JYZR 250/3.2 | 250 | 3.2 | 45 | 1.5 | 20 | 162 | ||
JYZR 250/2.0 | 250 | 2.0 | 1.1 | |||||
JYZR 320/2.3 | 320 | 2.3 | 50 | 1.5 | ||||
JYZR 320/1.6 | 320 | 1.6 | 1.1 | |||||
JYZR 400/2.0 | 400 | 2.0 | 55 | 1.5 | ||||
JYZR 400/1.4 | 400 | 1.4 | 1.1 | |||||
JYZR 460/1.6 | 460 | 1.6 | 60 | 1.5 | ||||
JYZR 460/1.2 | 460 | 1.2 | 1.1 | |||||
JYZR 500/1.4 | 500 | 1.4 | 63 | 144 | 1.5 | |||
JYZR 500/1.0 | 500 | 1.0 | 1.1 | |||||
JYZR 750/1.4 | 750 | 1.4 | 1.5 | |||||
JYZR 750/1.0 | 750 | 1.0 | 1.1 |
液壓隔膜式計量泵是具有無泄漏高壓力的特點,被廣泛采用于易燃、易爆、易揮發、強腐蝕、放射性、劇毒、懸浮液以及昂貴的液體介質輸送;達到高壓加注液體目的。








